6、FG-S射流式风柜是在送风口直接配设一个或多个远距离送风的球形喷口,并能360°自由旋转,可以在现场调整机组送风方向,有效改善气流组织和温度场。射流式机组无需风管可以实现远距离直接送风,节省空间,减少工程费用,降低投资成本。
机组型号表示方法

柜式空气处理机组电气接线原理图:
说明:
1、所有机组在出厂时已经将电机接线接至机组的接线盒端子上,接线盒以外的全部电气工程由需方或用户委托专业单位完成。
2、机组使用电源:380V/3PH/50Hz交流电源。
机组进出风口方向示意图

注:资料若有修改,恕不另行通知,如需获取最新资料,请浏览本公司网页或与本公司联系。
机组技术性能表
卧式/立式机组性能表: 【一】
回风工况:供冷进风干球温度27℃,进风湿球温度19.5℃,进水温度7℃。 供暖进风干球温度21℃,进水温度60℃。
新风工况:供冷进风干球温度35℃,进风湿球温度28℃,进水温度7℃。
卧式/立式机组性能表:【二】

回风工况:供冷进风干球温度27℃,进风湿球温度19.5℃,进水温度7℃。 供暖进风干球温度21℃,进水温度60℃。
新风工况:供冷进风干球温度35℃,进风湿球温度28℃,进水温度7℃。
卧式/立式机组性能表:【三】

回风工况:供冷进风干球温度27℃,进风湿球温度19.5℃,进水温度7℃。 供暖进风干球温度21℃,进水温度60℃。
新风工况:供冷进风干球温度35℃,进风湿球温度28℃,进水温度7℃。
卧式/立式机组性能表:【四】

回风工况:供冷进风干球温度27℃,进风湿球温度19.5℃,进水温度7℃。 供暖进风干球温度21℃,进水温度60℃。
新风工况:供冷进风干球温度35℃,进风湿球温度28℃,进水温度7℃。
卧式/立式机组性能表:【五】

回风工况:供冷进风干球温度27℃,进风湿球温度19.5℃,进水温度7℃。 供暖进风干球温度21℃,进水温度60℃。
新风工况:供冷进风干球温度35℃,进风湿球温度28℃,进水温度7℃。
注:资料若有更改,恕不另行通知,如需获取最新资料,请浏览本公司网站或与本公司联系。
机组风量、静压与电机功率配置表:


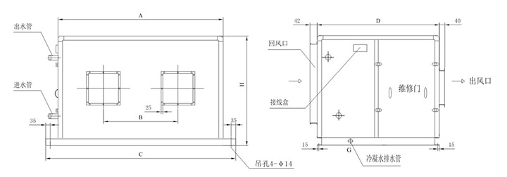
吊挂(卧)式空调机组外形尺寸及重量
吊挂式/卧式空调机组:(FG-H)

机组外形尺寸与重量表:

注:资料若有修改,恕不另行通知,如需获取最新资料,请浏览本公司网页或与本公司联系。
立式空调机组外形尺寸及重量
立式空调机组:(FG-V)

机组外形尺寸与重量表:

射流式空调机组外形尺寸及重量
射流式空调机组:(FG-S)

机组性能参数表:

机组外形尺寸及重量表: